專業生産(chǎn) 、研發設計攪拌設備(bèi)的綜合型公司      新強主頁 | 加入收藏 | 設爲主頁 | 企業郵局 當前的時間:
   

 

 

産品列表 PRODUCT

 

   攪拌機系列

頂入式攪拌機

側入式攪拌機

潛水式攪拌機

高速分散攪拌機

真空攪拌機

磁力攪拌機

刮泥機

   幹粉混合系列

V型混合機

VH高效混合機

二維混料機

三維混料機

螺帶混合機

單錐雙螺旋混料機
雙錐混料機
槽型混合機
犁刀混合機

無重力混合機

   攪拌桶(罐)系列

夾套攪拌罐

普通攪拌罐

塑料攪拌罐

真空攪拌罐

衛生級攪拌罐

   攪拌器系列

槳式攪拌器

螺帶式攪拌器

錨式攪拌器

渦輪式攪拌器

旋槳式攪拌器

   機架系列

   砂磨機系列

實驗室砂磨機

實驗室納米砂磨機

量産納米研磨機

量産卧式砂磨機

立式砂磨機
雙動力砂磨機
研磨介質

   球磨系列

立式球磨機

立式升降球磨機

卧式攪拌球磨機

卧式幹法球磨機

卧式濕法球磨機

實驗型升降球磨機
實驗型幹濕兩用球磨機
連續式球磨機
循環球磨機
震動球磨機
八角球磨機
高效超細磨
立式高效研磨機

罐磨機

            雙行星攪拌系列

實驗型行星攪拌機

生産型雙行星攪拌機

液壓擠壓出料機

乳化攪拌罐

真空均質乳化機

 
 
聯系我們 Contact us  
 
銷售一部
鄭經理 0510-88301230
手機 15852539554
QQ 1983545134
銷售二部
沈經理 15852796716
QQ 913604226
銷售三部
劉經理 18706194598
QQ 470087325
技術部 手機 18706194598
公司傳真 0510-88791377
公司郵箱 sales@wxxqjb.com
公司網站 www.nb249626.cn
地址:無錫惠山經濟開發區前洲配套區餘浩路3号

 

産(chǎn)品中心 Product

您現在的位置:首頁-産品中心
 
 

NGW行星齒輪減速機

 
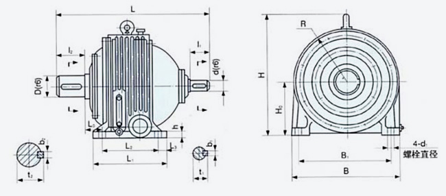
1.單級減速器型式、尺寸圖表
 
 

機座号

型号

公稱傳動比i0

外形及中心高

軸 伸

地腳尺寸

質量Kg

L

B

H

H0

R

d

D

i1

i2

t1

b1

t2

b2

L1

L2

L3

L0

B1

d1

h

mm

1

NGW11A

2.8-4.5

530

280

295

125-0.5

125

35

50

55

85

38

10

53.5

14

215

165

25

105

220

M16

20

53

5-12.5

477

30

50

33

8

57

50

2

NGW21A

2.8-4.5

604

305

325

140-0.5

140

40

60

70

105

43

12

64

18

245

185

30

115.5

235

M20

25

80

5-12.5

535

35

55

38

10

60.5

73

3

NGW31A

2.8-4.5

632

350

365

160-0.5

160

45

70

70

105

48.5

14

74.5

20

260

200

30

125

270

M20

25

100

5-12.5

569

40

70

43

12

62

98

4

NGW41A

2.8-4.5

734

380

425.5

180-0.5

180

50

80

85

105

53.5

14

85

22

290

230

30

156

320

M24

30

147

5-12.5

634

45

70

48.5

14

72

128

5

NGW51A

2.8-4.5

845

420

463.5

200-0.5

200

55

90

85

115

59

16

95

25

310

250

30

196.5

360

M24

35

213

5-12.5

729

50

85

53.5

14

80.5

193

6

NGW61A

2.8-4.5

886

475

524

225-0.5

225

60

100

105

125

64

18

106

28

360

290

35

202.2

405

M30

40

289

5-12.5

731

55

85

59

16

67.5

264

7

NGW71A

2.8-4.5

933

535

574

250-0.5

250

65

110

105

140

69

18

116

28

375

305

35

213

465

M30

40

359

5-12.5

800

60

105

64

18

80

301

8

NGW81A

2.8-4.5

1042

590

634

280-0.5

280

75

120

115

160

79.5

20

127

32

440

350

45

219

10

M36

45

449

5-12.5

899

65

105

69

18

86

399

9

NGW91A

2.8-4.5

1141

660

721

315-0.5

315

85

130

125

165

90

22

137

32

475

385

45

225.5

570

M36

45

604

5-12.5

976

75

115

79.5

20

70.5

542

10

NGW101A

2.8-4.5

1261

745

800

355-0.5

355

95

150

140

200

100

25

158

36

525

425

50

251

645

M42

50

810

5-12.5

1073

85

125

90

22

78

732

11

NGW111A

2.8-4.5

1355

840

891

400-0.5

400

105

170

160

200

111

28

179

40

580

480

50

263

740

M42

55

1060

5-12.5

1145

95

140

100

25

73

990

12

NGW121A

2.8-4.5

1500

950

1013

450-0.5

455

115

190

160

240

122

32

200

45

680

560

50

288

820

M42

60

1638

5-12.5

1288

105

160

111

28

73

1475

 
2.兩級減速器型式、尺寸圖表
 
 

機座号

型号

4

NGW42A

5

NGW52A

6

NGW62A

7

NGW72A

8

NGW82A

9

NGW92A

10

NGW102A

11

NGW112A

12

NGW122A

 
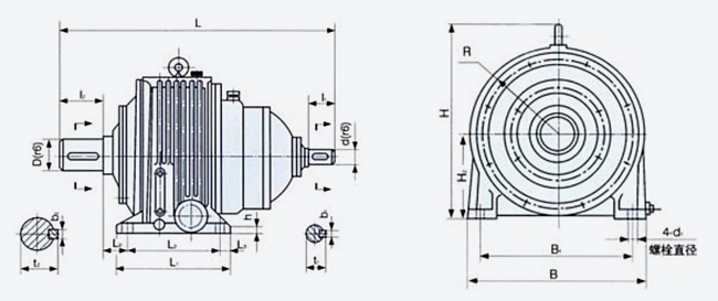
3.三級減速器型式、尺寸圖表
 
 


機座号

型号

公稱傳動比i0

外形及中心高

軸 伸

地腳尺寸

質量Kg

L

B

H

H0

R

d

D

i1

i2

t1

b1

t2

b2

L1

L2

L3

L0

B1

d1

h

mm

7

NGW73A

180-2000

973.5

535

574

250-0.5

250

30

110

55

140

33

8

116

28

375

305

35

80

465

M30

40

382

8

NGW83A

1071

590

634

280-0.5

280

35

120

55

160

38

10

127

32

440

350

45

86

510

M36

45

505

9

NGW93A

1137.5

660

721

315-0.5

315

40

130

70

165

43

12

137

32

475

385

45

70.5

570

M36

45

627

10

NGW103A

1263

745

800

355-0.5

355

45

150

70

200

49

14

158

36

525

425

50

78

645

M42

50

962

11

NGW113A

1359.5

840

891

400-0.5

400

50

170

85

200

54

14

179

40

580

480

50

73

740

M42

55

1163

12

NGW123A

1504

950

1013

450-0.5

455

55

190

85

240

59

16

200

45

680

560

60

73

820

M48

60

1756

 
 
 

磁力攪拌器生産商,無錫新強攪拌設備有限公司專業生産供應恒溫磁力攪拌器 ,磁力加熱攪拌器,實驗室用機械攪拌器,小型化工攪拌機

銷售一部 鄭經理 0510-88301230 手機 15852539554 QQ 1983545134 銷售二部 沈經理 15852796716 QQ 913604226
銷售三部 劉經理 18706194598 QQ 470087325 技術部 手機 18706194598
公司傳真 0510-88791377 公司郵箱 sales@wxxqjb.com 公司網站 www.nb249626.cn
地址:無錫惠山經濟開發區前洲配套區餘浩路3号