專業生産(chǎn) 、研發設計攪拌設備(bèi)的綜合型公司      新強主頁 | 加入收藏 | 設爲主頁 | 企業郵局 當前的時間:
   

 

 

産品列表 PRODUCT

 

   攪拌機系列

頂入式攪拌機

側入式攪拌機

潛水式攪拌機

高速分散攪拌機

真空攪拌機

磁力攪拌機

刮泥機

   幹粉混合系列

V型混合機

VH高效混合機

二維混料機

三維混料機

螺帶混合機

單錐雙螺旋混料機
雙錐混料機
槽型混合機
犁刀混合機

無重力混合機

   攪拌桶(罐)系列

夾套攪拌罐

普通攪拌罐

塑料攪拌罐

真空攪拌罐

衛生級攪拌罐

   攪拌器系列

槳式攪拌器

螺帶式攪拌器

錨式攪拌器

渦輪式攪拌器

旋槳式攪拌器

   機架系列

   砂磨機系列

實驗室砂磨機

實驗室納米砂磨機

量産納米研磨機

量産卧式砂磨機

立式砂磨機
雙動力砂磨機
研磨介質

   球磨系列

立式球磨機

立式升降球磨機

卧式攪拌球磨機

卧式幹法球磨機

卧式濕法球磨機

實驗型升降球磨機
實驗型幹濕兩用球磨機
連續式球磨機
循環球磨機
震動球磨機
八角球磨機
高效超細磨
立式高效研磨機

罐磨機

            雙行星攪拌系列

實驗型行星攪拌機

生産型雙行星攪拌機

液壓擠壓出料機

乳化攪拌罐

真空均質乳化機

 
 
聯系我們 Contact us  
 
銷售一部
鄭經理 0510-88301230
手機 15852539554
QQ 1983545134
銷售二部
沈經理 15852796716
QQ 913604226
銷售三部
劉經理 18706194598
QQ 470087325
技術部 手機 18706194598
公司傳真 0510-88791377
公司郵箱 sales@wxxqjb.com
公司網站 www.nb249626.cn
地址:無錫惠山經濟開發區前洲配套區餘浩路3号

 

産(chǎn)品中心 Product

您現在的位置:首頁-産品中心
 
 

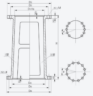
WJ、LWJ型機(jī)架(CD130B-86)

 
 
 
  本系列機架可與各種立式擺線針輪減速機相配,可配套選用各種聯軸器,若與齒輪減速機配套 ,連接尺寸由本公司自選調整,爲安裝雙端面機械密封,配備LWJ、LDJ、LSJ等增高型 ,除LWJ的H值和LDJ、LSJ的H及H2值增大以外,其餘尺寸均未變動。
 

型号标定意義及示例

 

 

接闆形式A;配擺(bǎi)線針輪減速機B;配LC、DC齒(chǐ)輪減速機

 

軸徑(減(jiǎn)速機(jī)輸出軸直徑)

機架類型WJ、LWJ-無支點(diǎn)機架 DJ、LDJ、DXJ-單(dān)支點(diǎn)機架 SJ、LSJ-雙支點(diǎn)機架。

 
 注:WJ型、DJ型、DXJ型-30A/B、35A、40B、45A四種機架底面爲Ⅰ型和Ⅱ型(Ⅰ型不須标柱,Ⅱ型須在型号後面注Ⅱ、Ⅱ型a°=30°,n2-φ爲12-14)其餘機架爲Ⅱ型(不須标注)
 

WJLWJ型無支點機架主要參數及尺寸

 

機架代号

H1

H2

H3

H4

輸入端接口

輸出端接口

WJ型

LWJ型

D1

D2

D3

n1-M

D4

D5

D6

n2-φ

H

重量(kg)

H

重量(kg)

WJ   A
30
LWJ   B

20

15

4

4

6

140

200

160

230

190

260

4-M10

6-M12

240

285

315

Ⅰ20

Ⅱ30

10-φ14

12-φ14

450

34

600

43

WJ  A
35
LWJ  B

24

15

5

6

170

200

230

6-M10

6-M12

260

320

360

Ⅰ20

Ⅱ30

10-φ14

12-φ14

500

46

650

54

WJ  A
40
LWJ  B

24

15

4

6

200

230

230

260

260

290

6-M10

6-M12

260

320

360

Ⅰ20

Ⅱ30

10-φ14

12-φ14

500

46

650

54

WJ  A
45
LWJ  B

24

15

5

6

200

230

260

6-M10

6-M12

260

320

360

Ⅱ20

Ⅱ30

10-φ14

12-φ14

500

49

650

57

WJ  A
55
LWJ  B 

30

20

6

5

6

270

310

305

340

6-M10

8-M16

325

400

435

30

12-φ14

540

75

690

83

WJ
65A
LWJ

34

20

6

6

316

360

400

8-M12

8-M16

350

420

460

30

12-φ18

600

96

750

107

WJ  A
70
LWJ  B 

34

20

6

5

6

316(320)

320

360

400

8-M12

8-M16

350

420

460

30

12-φ18

600

96

750

107

WJ  A
80
LWJ  B

38

25

6

5

8

345

360

390

410

430

460

8-M16

8-M20

380

455

495

30

12-φ18

640

130

790

139

WJ  A
90
LWJ  B

40

25

7

8

400

450

490

12-M16

12-M20

430

510

555

30

12-φ23

660

168

860

183

WJ   A
100
LWJ  B

40

25

9

5

10

455(460)

470

520

580

12-M20

480

560

600

22.5

165-φ23

700

205

900

224

WJ   A  
110 120A
LWJ   B 

40

30

11
6

10

520

590

650

12-M20

560

650

700

22.5

16-φ27

800

257

1000

274

WJ   A  
130 140A
LWJ  B

44

30

11
9

10

680

800

880

12-M30

720

810

880

18

20-φ27

900

318

1200

365

WJ   A  A  
150 160
LWJ  B  B

50

35

14
10

12

820

940

1020

16-M30

840

940

1020

22.5

16-φ33

1000

420

1300

480

WJ   A  
180
LWJ  B

55

40

14
10

12

960

1080

1160

20-M30

970

1080

1160

18

20-φ33

1100

560

1400

630

 

注:增高後(hòu)的LWJ型機(jī)架,其内部中間高度可同時容納207型雙端面機(jī)械密封及SF型三分式聯軸器。

 
 
 

磁力攪拌器生産商,無錫新強攪拌設備有限公司專業生産供應恒溫磁力攪拌器 ,磁力加熱攪拌器,實驗室用機械攪拌器,小型化工攪拌機

銷售一部 鄭經理 0510-88301230 手機 15852539554 QQ 1983545134 銷售二部 沈經理 15852796716 QQ 913604226
銷售三部 劉經理 18706194598 QQ 470087325 技術部 手機 18706194598
公司傳真 0510-88791377 公司郵箱 sales@wxxqjb.com 公司網站 www.nb249626.cn
地址:無錫惠山經濟開發區前洲配套區餘浩路3号